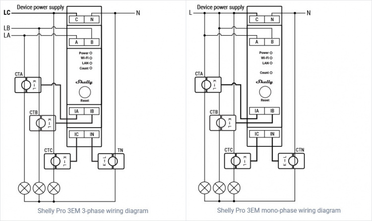
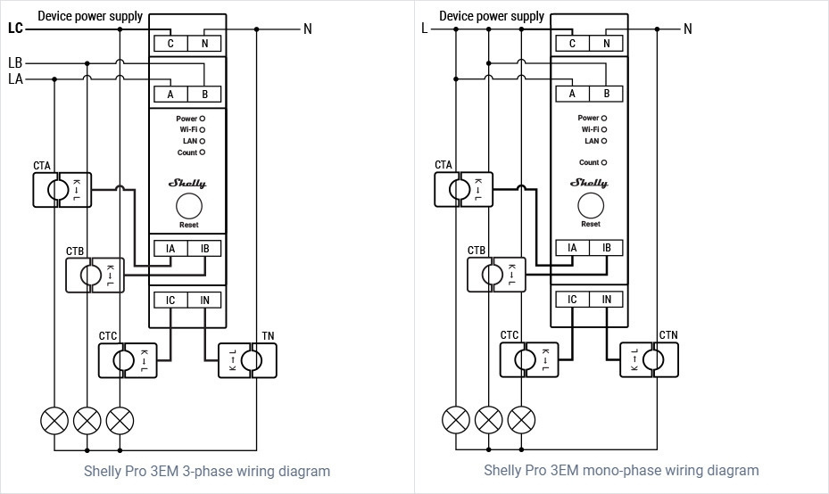
Shelly Pro3 EM on kolmivaiheinen energiamittari, joka mittaa muuntajapuristimien avulla energiaa kolmessa yksittäisessä vaiheessa jopa 120 A kuormalla ja 99 % tarkkuudella. Laite raportoi reaaliajassa kertyneen energian sekä hetkellisen jännitteen, virran ja tehokertoimen vaihekohtaisesti. Se tallentaa tietoja haihtumattomaan muistiin, joka voidaan hakea jopa 60 päivän ajaksi 1 minuutin välein.
Shelly Pro 3EM on suunniteltu asennettavaksi DIN-kiskoon ja sen mukana toimitetaan kolme virtamuuntajaa. Laite raportoi tehomittauksen (W), jännitemittauksen (V), virranmittauksen (A) ja tehokertoimen (PF) reaaliajassa ja tallentaa mittaukset jopa 60 päivää paikallisesti laitteeseen ja 365 päivää, kun se on kytkettynä Shelly Cloud -sovellukseen. Laite täyttää myös IEC 62053-21 standardin vaatimukset luokkaa B vastaavalla tarkkuudella (enintään 1 % poikkeama). Shelly Pro 3EM:ssä on sisäänrakennettu reaaliaikainen kello, joka säilyttää ajan ja päivämäärän, jos yhteys SNTP-palvelimeen katkeaa.
Shelly Pro 3EM voidaan yhdistää Internetiin tai paikalliseen 2,4 GHz WiFi-verkkoon. Lisäksi laitteessa on sisäänrakennettu Bluetooth, kuten kaikissa Pro- ja Plus-laitteissa, mikä mahdollistaa Shelly Pro 3EM:n käytön yhdyskäytävänä muihin Shelly Bluetooth -laitteisiin. Laite toimii paikallisesti ilman yhteyttä Shelly Cloudiin, mutta tämä on suositeltavaa aktivoida tiedon tallennuksen helpottamiseksi ja toiminnallisuuden lisäämiseksi. Laite voi myös kommunikoida MQTT, HTTP ja WebSocket:in kautta. Lisäksi Pro 3EM tukee MODBUS-väylää, joka mahdollistaa helpon ja nopean käyttöönoton olemassa olevissa teollisuusasennuksissa.
Laite on varustettu 2. sukupolven laitteistolla, joka sisältää tehokkaan ESP32-prosessorin ja parannettuja turvallisuusominaisuuksia, kuten ylikuumenemis-, ylivirta-, ylijännite- ja ylikuormitus suojauksen. Se mahdollistaa myös komentosarjatoimintojen käytön edistyneitä ja mukautettuja toimintoja varten sekä kantaman laajennustoimintoa laitteen kanssa.
Huomaa, että Shelly Pro 3EM:ssä ei ole sisäänrakennettua kuivakosketinrelettä, kuten vanhassa Shelly 3EM:ssä. Sen sijaan voidaan liittää Shelly Pro Add-On -moduuli jopa kolmen vaiheen kytkemistä varten.
Shellyn älykotituotteet tukevat Amazon Alexa ja Google Assistant virtuaaliavustajia. Edellä mainittujen lisäksi myös useampi muu älykotijärjestelmä/alusta on tuettuna (varmista yhteensopivuus tuotekohtaisesti). Shellyn tuotteet liitetään langattomaan Wi-Fi-verkkoon, eivätkä tarvitse toimiakseen erillistä kotiautomaatio-ohjainta.
Huom, asennuksen saa suorittaa vain valtuutettu sähköasentaja.
Ominaisuudet:
- Malli: Shelly Pro 3EM
- Nimellinen jännite: vaihtovirta: 110 - 240 V, 50/60 Hz
- Kolme itsenäistä maks. 120 A mittauskanavaa
- Sisäiseen muistiin tallentuu jopa 60 päivän historiatiedot
- Langaton standardi: Wifi 802.11b/g/n, 2.4 GHz
- MQTT, HTTP, WebSocket, MODBUS -tuki
- Shelly Cloud -sovellus - Android- ja iOS -tuki
- Käyttölämpötila: -20 ºC to +40 ºC, vain sisäkäyttöön
- Mitat: 94 x 19 x 69 mm
- Paino: 62 g
Myyntipaketin sisältö:
- Shelly Pro 3EM
- 120 A puristimet, 3 kpl
- Pikaohje
- Liitetään Wi-Fi-verkkoon
- Virrankulutuksen mittaukseen
- Kolmen vaiheen mittaukseen
